| [B-01-10] IBC排水側溝(特長・種類・施工図・流速 流量表) |
| ライン名/アイテム名 | 画像 | 説明 | ダウンロード |
函渠側溝・暗渠 IBC排水側溝(防草) |  | ![]() | IBC排水側溝は茨城県組合製品です。
特長・種類・施工図・流速 流量表 | カタログPDF 図面データ 図面データ2 |
| [B-01-30] IBC排水側溝 Ⅰ型・Ⅱ型・Ⅲ型 |
| ライン名/アイテム名 | 画像 | 説明 | ダウンロード |
函渠側溝・暗渠 IBC排水側溝(防草) |  | ![]() | Ⅰ型・Ⅱ型・Ⅲ型があります。
歩車道境界ブロックを施工することによって、セミフラット、乗り入れ、中央分離帯などに対応します。 | カタログPDF 図面データ 図面データ2 |
| [B-01-35] IBC排水側溝 Ⅱ型・Ⅲ型 防草タイプ |
| ライン名/アイテム名 | 画像 | 説明 | ダウンロード |
函渠側溝・暗渠 IBC排水側溝(防草) |  | ![]() | Ⅱ型・Ⅲ型の防草タイプです。 | カタログPDF 図面データ 図面データ2 |
| [B-01-40] IBC排水側溝 乗り入れ一体[H=0-20・H=20・H=50] |
| ライン名/アイテム名 | 画像 | 説明 | ダウンロード |
函渠側溝・暗渠 IBC排水側溝(防草) |  | ![]() | T-25縦断設計の乗り入れ一体型管渠側溝です。
側溝と縁石が一体になっているため工期の短縮が図れ
ます。 | カタログPDF 図面データ 図面データ2 |
| [B-01-45] IBC排水側溝 乗り入れ一体[H=0-20・H=20・H=50]防草タイプ |
| ライン名/アイテム名 | 画像 | 説明 | ダウンロード |
函渠側溝・暗渠 IBC排水側溝(防草) |  | ![]() | 乗り入れ一体[H=0-20・H=20・H=50]の防草タイプです。 | カタログPDF 図面データ 図面データ2 |
| [B-01-50] IBC排水側溝 フラット乗り入れⅠ型 |
| ライン名/アイテム名 | 画像 | 説明 | ダウンロード |
函渠側溝・暗渠 IBC排水側溝(防草) |  | ![]() | IBC側溝の車両乗り入れに使用するT-25縦横断対応の乗り入れ用管渠型側溝です。
集水桝を介さず直接施工ができます。 | カタログPDF 図面データ 図面データ2 |
| [B-01-60] IBC排水側溝 暗渠・敷板 |
| ライン名/アイテム名 | 画像 | 説明 | ダウンロード |
函渠側溝・暗渠 IBC排水側溝(防草) |  | ![]() | 道路横断部に使用するT-25横断設計の暗渠型側溝です。集水桝を介せず直接施工が可能です。 | カタログPDF 図面データ 図面データ2 |
| [B-01-70] IBC排水側溝 集水桝 セミフラットB[Ⅰ・Ⅱ型兼用]・BⅢ型(防草タイプ) |
| ライン名/アイテム名 | 画像 | 説明 | ダウンロード |
函渠側溝・暗渠 IBC排水側溝(防草) |  | ![]() | IBC排水側溝に接続するセミフラット対応の集水桝です。防草タイプもあります。 | カタログPDF 図面データ 図面データ2 |
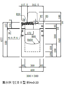
| [B-01-80] IBC排水側溝 集水桝 セミフラットB斜 H=50 |
| ライン名/アイテム名 | 画像 | 説明 | ダウンロード |
函渠側溝・暗渠 IBC排水側溝(防草) |  | ![]() | IBC排水側溝に接続する標準から車両乗り入れ対応の集水桝です。
| カタログPDF 図面データ 図面データ2 |
| [B-01-90] IBC排水側溝 集水桝 セミフラットBⅡ型斜 H=20 |
| ライン名/アイテム名 | 画像 | 説明 | ダウンロード |
函渠側溝・暗渠 IBC排水側溝(防草) |  | ![]() | IBC排水側溝に接続する交差点すりつけ対応の集水桝です。 | カタログPDF 図面データ 図面データ2 |
| [B-01-100] IBC排水側溝 集水桝 セミフラットBⅡ型斜 H=0-20 |
| ライン名/アイテム名 | 画像 | 説明 | ダウンロード |
函渠側溝・暗渠 IBC排水側溝(防草) |  | ![]() | IBC排水側溝に接続する交差点すりつけ対応の集水桝です。
| カタログPDF 図面データ 図面データ2 |
| [B-01-110] IBC排水側溝 集水桝 セミフラット乗り入れ H=50(Ⅰ・Ⅲ型兼用) |
| ライン名/アイテム名 | 画像 | 説明 | ダウンロード |
函渠側溝・暗渠 IBC排水側溝(防草) |  | ![]() | IBC排水側溝に接続する車両乗り入れ対応の集水桝です。 | カタログPDF 図面データ 図面データ2 |
| [B-01-120] IBC排水側溝 集水桝 セミフラット乗り入れⅡ型 H=20 |
| ライン名/アイテム名 | 画像 | 説明 | ダウンロード |
函渠側溝・暗渠 IBC排水側溝(防草) |  | ![]() | IBC排水側溝に接続する交差点巻き込みや横断歩道対応の集水桝です。
| カタログPDF 図面データ 図面データ2 |
| [B-01-130] IBC排水側溝 集水桝 中央分離帯用C[Ⅰ・Ⅲ型兼用](防草タイプ) |
| ライン名/アイテム名 | 画像 | 説明 | ダウンロード |
函渠側溝・暗渠 IBC排水側溝(防草) |  | ![]() | IBC排水側溝に接続する中央分離帯用C専用の集
水桝です。防草タイプもあります。 | カタログPDF 図面データ 図面データ2 |
| [B-01-140] IBC排水側溝 集水桝 フラットBⅠ型 |
| ライン名/アイテム名 | 画像 | 説明 | ダウンロード |
函渠側溝・暗渠 IBC排水側溝(防草) |  | ![]() | IBC排水側溝に接続するフラットタイプB対応
の集水桝です。
| カタログPDF 図面データ 図面データ2 |
| [B-01-150] IBC排水側溝 集水桝 フラット乗り入れⅠ型 |
| ライン名/アイテム名 | 画像 | 説明 | ダウンロード |
函渠側溝・暗渠 IBC排水側溝(防草) |  | ![]() | IBC排水側溝に接続する車両乗り入れや横断歩道対応の集水桝です。 | カタログPDF 図面データ 図面データ2 |
| [B-01-155] IBC排水側溝 深型集水桝Ⅱ型L=1300 |
| ライン名/アイテム名 | 画像 | 説明 | ダウンロード |
函渠側溝・暗渠 IBC排水側溝(防草) |  | ![]() | IBC排水側溝 深型集水桝Ⅱ型のL=1300下部桝です。遠心ボックスカルバートφ600対応しています。 | カタログPDF 図面データ 図面データ2 |
| [B-01-160] IBC排水側溝 深型集水桝Ⅲ型L=1300(防草タイプ) |
| ライン名/アイテム名 | 画像 | 説明 | ダウンロード |
函渠側溝・暗渠 IBC排水側溝(防草) |  | ![]() | IBC排水側溝 深型集水桝Ⅲ型のL=1300下部桝です。防草タイプもあります。
遠心ボックスカルバートφ600対応しています。 | カタログPDF 図面データ 図面データ2 |
| [B-01-170] IBC排水側溝 境界ブロック セミフラットA |
| ライン名/アイテム名 | 画像 | 説明 | ダウンロード |
函渠側溝・暗渠 IBC排水側溝(防草) |  | ![]() | IBC側溝Ⅰ・Ⅱ型にセットして、セミフラット形式を構築するIBC排水側溝専用の歩車道境界ブロックセミフラットAです。 | カタログPDF 図面データ 図面データ2 |
| [B-01-180] IBC排水側溝 境界ブロック セミフラットB |
| ライン名/アイテム名 | 画像 | 説明 | ダウンロード |
函渠側溝・暗渠 IBC排水側溝(防草) |  | ![]() | IBC側溝にセットして、セミフラット形式を構築するIBC排水側溝専用の歩車道境界ブロック セミフラットBです。 | カタログPDF 図面データ 図面データ2 |
| [B-01-190] IBC排水側溝 中央分離帯用ブロックC(防草タイプ) |
| ライン名/アイテム名 | 画像 | 説明 | ダウンロード |
函渠側溝・暗渠 IBC排水側溝(防草) |  | ![]() | IBC側溝Ⅰ型・Ⅲ型にセットして中央分離帯を形成するIBC排水側溝専用の中央分離帯用ブロックCです。防草タイプもあります。 | カタログPDF 図面データ 図面データ2 |
| [B-01-200] IBC排水側溝 歩車道境界ブロック フラットB |
| ライン名/アイテム名 | 画像 | 説明 | ダウンロード |
函渠側溝・暗渠 IBC排水側溝(防草) |  | ![]() | 歩道面と車道面の段差がないフラット形式のIBC排
水側溝専用の歩車道境界ブロック フラットBです。
| カタログPDF 図面データ 図面データ2 |
| [B-01-205] 基礎付中央分離帯ブロック 防草タイプ |
| ライン名/アイテム名 | 画像 | 説明 | ダウンロード |
函渠側溝・暗渠 IBC排水側溝(防草) |  | ![]() | シフト分割型 IBC排水側溝対応 | カタログPDF 図面データ 図面データ2 |
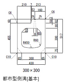
| [B-01-210] IBC排水側溝 基本Ⅰ型・Ⅱ型・Ⅲ型 布設標準施工図(参考資料) |
| ライン名/アイテム名 | 画像 | 説明 | ダウンロード |
函渠側溝・暗渠 IBC排水側溝(防草) |  | ![]() | IBC排水側溝 基本Ⅰ型・Ⅱ型・Ⅲ型
布設標準施工図(参考資料) | カタログPDF 図面データ 図面データ2 |
| [B-01-215] IBC排水側溝 基本Ⅰ型・Ⅱ型・Ⅲ型 断面図(参考資料) |
| ライン名/アイテム名 | 画像 | 説明 | ダウンロード |
函渠側溝・暗渠 IBC排水側溝(防草) |  | ![]() | 断面図(参考資料) | カタログPDF 図面データ 図面データ2 |
| [B-01-220] IBC排水側溝 Ⅱ型・Ⅲ型(防草タイプ) 布設標準構造図(参考資料) |
| ライン名/アイテム名 | 画像 | 説明 | ダウンロード |
函渠側溝・暗渠 IBC排水側溝(防草) |  | ![]() | IBC排水側溝 Ⅱ型・Ⅲ型(防草タイプ)
布設標準構造図(参考資料) | カタログPDF 図面データ 図面データ2 |
| [B-01-225] IBC排水側溝 Ⅱ型・Ⅲ型(防草タイプ) 断面図(参考資料) |
| ライン名/アイテム名 | 画像 | 説明 | ダウンロード |
函渠側溝・暗渠 IBC排水側溝(防草) |  | ![]() | 断面図(参考資料) | カタログPDF 図面データ 図面データ2 |
| [B-01-230] IBC排水側溝 乗り入れ一体(H=50・20・0-20) 布設標準構造図(参考資料) |
| ライン名/アイテム名 | 画像 | 説明 | ダウンロード |
函渠側溝・暗渠 IBC排水側溝(防草) |  | ![]() | IBC排水側溝 乗り入れ一体(H=50・20・0-20)
布設標準構造図(参考資料) | カタログPDF 図面データ 図面データ2 |
| [B-01-235] IBC排水側溝 乗り入れ一体(H=50・20・0-20) 断面図(参考資料) |
| ライン名/アイテム名 | 画像 | 説明 | ダウンロード |
函渠側溝・暗渠 IBC排水側溝(防草) |  | ![]() | 断面図(参考資料) | カタログPDF 図面データ 図面データ2 |
| [B-01-240] IBC排水側溝 乗り入れ一体(H=50,20,0-20)[防草タイプ] 布設標準構造図(参考資料) |
| ライン名/アイテム名 | 画像 | 説明 | ダウンロード |
函渠側溝・暗渠 IBC排水側溝(防草) |  | ![]() | IBC排水側溝 乗り入れ一体(H=50,20,0-20)
[防草タイプ]
布設標準構造図(参考資料) | カタログPDF 図面データ 図面データ2 |
| [B-01-245] IBC排水側溝 乗り入れ一体(H=50,20,0-20)[防草タイプ] 断面図(参考資料) |
| ライン名/アイテム名 | 画像 | 説明 | ダウンロード |
函渠側溝・暗渠 IBC排水側溝(防草) |  | ![]() | 断面図(参考資料) | カタログPDF 図面データ 図面データ2 |
| [B-01-250] IBC排水側溝 フラット乗り入れⅠ型 布設標準構造図(参考資料) |
| ライン名/アイテム名 | 画像 | 説明 | ダウンロード |
函渠側溝・暗渠 IBC排水側溝(防草) |  | ![]() | IBC排水側溝 フラット乗り入れⅠ型
布設標準構造図(参考資料) | カタログPDF 図面データ 図面データ2 |
| [B-01-255] IBC排水側溝 フラット乗り入れ Ⅰ型 断面図(参考資料) |
| ライン名/アイテム名 | 画像 | 説明 | ダウンロード |
函渠側溝・暗渠 IBC排水側溝(防草) |  | ![]() | 断面図(参考資料) | カタログPDF 図面データ 図面データ2 |
| [B-01-260] IBC排水側溝 集水桝 セミフラットB・BⅢ型(防草タイプ)布設標準構造図(参考資料) |
| ライン名/アイテム名 | 画像 | 説明 | ダウンロード |
函渠側溝・暗渠 IBC排水側溝(防草) |  | ![]() | IBC排水側溝 集水桝 セミフラットB・BⅢ型(防草タイプ)
布設標準構造図(参考資料)
| カタログPDF 図面データ 図面データ2 |
| [B-01-265] IBC排水側溝 集水桝 セミフラットB・BⅢ型(防草タイプ) 断面図(参考資料) |
| ライン名/アイテム名 | 画像 | 説明 | ダウンロード |
函渠側溝・暗渠 IBC排水側溝(防草) |  | ![]() | セミフラットB
セミフラットBⅢ型(防草タイプ)
断面図(参考資料) | カタログPDF 図面データ 図面データ2 |
| [B-01-270] IBC排水側溝 集水桝 セミフラットB斜H=50 布設標準構造図(参考資料) |
| ライン名/アイテム名 | 画像 | 説明 | ダウンロード |
函渠側溝・暗渠 IBC排水側溝(防草) |  | ![]() | IBC排水側溝 集水桝 セミフラットB斜H=50
(Ⅰ型・Ⅲ型兼用)グレーチング埋め込み一体式
布設標準構造図(参考資料) | カタログPDF 図面データ 図面データ2 |
| [B-01-275] IBC排水側溝 集水桝 セミフラットB 斜H=50 断面図(参考資料) |
| ライン名/アイテム名 | 画像 | 説明 | ダウンロード |
函渠側溝・暗渠 IBC排水側溝(防草) |  | ![]() | 断面図(参考資料) | カタログPDF 図面データ 図面データ2 |
| [B-01-280] IBC排水側溝 集水桝 セミフラットB Ⅱ型斜H=20 布設標準構造図(参考資料) |
| ライン名/アイテム名 | 画像 | 説明 | ダウンロード |
函渠側溝・暗渠 IBC排水側溝(防草) |  | ![]() | IBC排水側溝 集水桝 セミフラットB Ⅱ型斜H=20
グレーチング式
布設標準構造図(参考資料) | カタログPDF 図面データ 図面データ2 |
| [B-01-285] IBC排水側溝 集水桝 セミフラットB Ⅱ型 斜H=20 断面図(参考資料) |
| ライン名/アイテム名 | 画像 | 説明 | ダウンロード |
函渠側溝・暗渠 IBC排水側溝(防草) |  | ![]() | 断面図(参考資料) | カタログPDF 図面データ 図面データ2 |
| [B-01-290] IBC排水側溝 集水桝 セミフラットB Ⅱ型斜H=0-20 布設標準構造図(参考資料) |
| ライン名/アイテム名 | 画像 | 説明 | ダウンロード |
函渠側溝・暗渠 IBC排水側溝(防草) |  | ![]() | IBC排水側溝 集水桝 セミフラットBⅡ型斜H=0-20
グレーチング式
布設標準構造図(参考資料) | カタログPDF 図面データ 図面データ2 |
| [B-01-295] IBC排水側溝 集水桝 セミフラットBⅡ型 斜H=0-20 断面図(参考資料) |
| ライン名/アイテム名 | 画像 | 説明 | ダウンロード |
函渠側溝・暗渠 IBC排水側溝(防草) |  | ![]() | 断面図(参考資料) | カタログPDF 図面データ 図面データ2 |
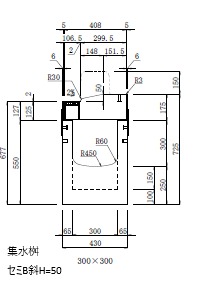
| [B-01-300] IBC排水側溝 集水桝 セミフラット乗り入れ H=50 布設標準構造図(参考資料) |
| ライン名/アイテム名 | 画像 | 説明 | ダウンロード |
函渠側溝・暗渠 IBC排水側溝(防草) |  | ![]() | IBC排水側溝 集水桝 セミフラット乗り入れ H=50
(Ⅰ型・Ⅲ型兼用)グレーチング埋め込み一体式
布設標準構造図(参考資料) | カタログPDF 図面データ 図面データ2 |
| [B-01-305] IBC排水側溝 集水桝 セミフラット乗り入れ H=50 断面図(参考資料) |
| ライン名/アイテム名 | 画像 | 説明 | ダウンロード |
函渠側溝・暗渠 IBC排水側溝(防草) |  | ![]() | IBC排水側溝 集水桝 セミフラット乗り入れ H=50
(Ⅰ型・Ⅲ型兼用) グレーチング埋込一体式
断面図(参考資料)
| カタログPDF 図面データ 図面データ2 |
| [B-01-310] IBC排水側溝 集水桝 セミフラット乗り入れ Ⅱ型 H=20 布設標準構造図(参考資料) |
| ライン名/アイテム名 | 画像 | 説明 | ダウンロード |
函渠側溝・暗渠 IBC排水側溝(防草) |  | ![]() | IBC排水側溝 集水桝 セミフラット乗り入れ Ⅱ型
H=20 グレーチング式
布設標準構造図(参考資料) | カタログPDF 図面データ 図面データ2 |
| [B-01-315] IBC排水側溝 集水桝 セミフラット乗り入れⅡ型 H=20 断面図(参考資料) |
| ライン名/アイテム名 | 画像 | 説明 | ダウンロード |
函渠側溝・暗渠 IBC排水側溝(防草) |  | ![]() | IBC排水側溝 集水桝 セミフラット乗り入れⅡ型 H=20
グレーチング式
断面図(参考資料) | カタログPDF 図面データ 図面データ2 |
| [B-01-320] IBC排水側溝 集水桝 中央分離帯用C(防草タイプ)布設標準構造図(参考資料) |
| ライン名/アイテム名 | 画像 | 説明 | ダウンロード |
函渠側溝・暗渠 IBC排水側溝(防草) |  | ![]() | IBC排水側溝 集水桝 中央分離帯用C(防草タイプ)
布設標準構造図(参考資料) | カタログPDF 図面データ 図面データ2 |
| [B-01-325] IBC排水側溝 集水桝 中央分離帯用C(防草タイプ) 断面図(参考資料) |
| ライン名/アイテム名 | 画像 | 説明 | ダウンロード |
函渠側溝・暗渠 IBC排水側溝(防草) |  | ![]() | IBC排水側溝 集水桝 中央分離帯用C(防草タイプ)
断面図(参考資料) | カタログPDF 図面データ 図面データ2 |
| [B-01-330] IBC排水側溝 集水桝 フラットB Ⅰ型 布設標準構造図(参考資料) |
| ライン名/アイテム名 | 画像 | 説明 | ダウンロード |
函渠側溝・暗渠 IBC排水側溝(防草) |  | ![]() | IBC排水側溝 集水桝 フラットB Ⅰ型
布設標準構造図(参考資料) | カタログPDF 図面データ 図面データ2 |
| [B-01-335] IBC排水側溝 集水桝 フラットBⅠ型 断面図(参考資料) |
| ライン名/アイテム名 | 画像 | 説明 | ダウンロード |
函渠側溝・暗渠 IBC排水側溝(防草) |  | ![]() | IBC排水側溝 集水桝 フラットBⅠ型
断面図(参考資料)
| カタログPDF 図面データ 図面データ2 |
| [B-01-340] IBC排水側溝 集水桝 フラット乗り入れ Ⅰ型 布設標準構造図(参考資料) |
| ライン名/アイテム名 | 画像 | 説明 | ダウンロード |
函渠側溝・暗渠 IBC排水側溝(防草) |  | ![]() | IBC排水側溝 集水桝 フラット乗り入れ Ⅰ型
布設標準構造図(参考資料) | カタログPDF 図面データ 図面データ2 |
| [B-01-345] IBC排水側溝集水桝 フラット乗り入れ Ⅰ型 断面図(参考資料) |
| ライン名/アイテム名 | 画像 | 説明 | ダウンロード |
函渠側溝・暗渠 IBC排水側溝(防草) |  | ![]() | IBC排水側溝集水桝 フラット乗り入れ Ⅰ型
断面図(参考資料) | カタログPDF 図面データ 図面データ2 |
| [B-02-10] 都市型側溝 (特長・流速流量表) |
| ライン名/アイテム名 | 画像 | 説明 | ダウンロード |
函渠側溝・暗渠 都市型側溝 |  | ![]() | 特長・流速・流量表 | カタログPDF 図面データ 図面データ2 |
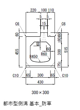
| [B-02-15] 都市型側溝 基本・グレーチングタイプ |
| ライン名/アイテム名 | 画像 | 説明 | ダウンロード |
函渠側溝・暗渠 都市型側溝 |  |  | 頂版スリット排水孔を設けた管渠側溝です。
側面に排水孔を設けたタイプもあります。
歩車道境界ブロックを施工することによって、セミフラット、乗り入れ、中央分離帯などに対応します。
グレーチングタイプ、専用桝があります。
| カタログPDF 図面データ 図面データ2 |
| [B-02-20] 都市型側溝 基本・グレーチングタイプ_防草タイプ |
| ライン名/アイテム名 | 画像 | 説明 | ダウンロード |
函渠側溝・暗渠 都市型側溝 |  | ![]() | 都市型側溝・集水桝の防草タイプになります。 | カタログPDF 図面データ 図面データ2 |
| [B-02-25] 都市型側溝 暗渠・敷板 |
| ライン名/アイテム名 | 画像 | 説明 | ダウンロード |
函渠側溝・暗渠 都市型側溝 |  | ![]() | 道路横断部に埋設して使用するT-25横断設計の暗渠型側溝です。 | カタログPDF 図面データ 図面データ2 |
| [B-02-30] 都市型側溝 歩車道境界ブロックセミフラット・中央分離帯用ブロックC |
| ライン名/アイテム名 | 画像 | 説明 | ダウンロード |
函渠側溝・暗渠 都市型側溝 |  | ![]() | 都市型側溝用の歩車道境界ブロックです。
防草タイプもあります。
| カタログPDF 図面データ 図面データ2 |
| [B-02-35] 都市型側溝 バリアフリータイプ・バリアフリーグレーチングタイプ |
| ライン名/アイテム名 | 画像 | 説明 | ダウンロード |
函渠側溝・暗渠 都市型側溝 |  | ![]() | 側溝上部がセンター2%の緩やかな勾配で、歩行者に優しく、車椅子による横断走行も可能です。専用桝もあります。 | カタログPDF 図面データ 図面データ2 |
| [B-02-40] 都市型側溝 バリアフリースリットグレーチング |
| ライン名/アイテム名 | 画像 | 説明 | ダウンロード |
函渠側溝・暗渠 都市型側溝 |  | ![]() | 側溝上部に50mmのグレーチングを設けたセンター2%勾配のT-25縦断の管渠側溝です。 | カタログPDF 図面データ 図面データ2 |
| [B-02-45] 都市型側溝 アングルタイプH50 |
| ライン名/アイテム名 | 画像 | 説明 | ダウンロード |
函渠側溝・暗渠 都市型側溝 |  | ![]() | 側溝上部に幅15mmの一体化した排水用アングルを設けたT-25縦断の管渠側溝です。歩行者に優しく、車椅子による横断走行もスムーズにできます。
グレーチングしか路面上に現れない為周りの景観を損ねることもなく、どのような景色にも調和いたします。特に美観と景観を重視した建築外構が形成できます。また、専用の集水桝及び深型集水桝もございます。 | カタログPDF 図面データ 図面データ2 |
| [B-02-50] 都市型側溝 アングルタイプH50/70 |
| ライン名/アイテム名 | 画像 | 説明 | ダウンロード |
函渠側溝・暗渠 都市型側溝 |  | ![]() | 側溝上部に幅15mmの段違いの一体化した排水用アングル(H50/70)を設けたT-25縦断の管渠側溝です。歩道側の側溝上面を車道側より10mm低くすることにより、歩車道境界ブロックの施工ができます。また、国土交通省・警察庁の「安全で快適な自転車利用環境創出ガイドライン」より自転車走行空間の路面設計において、側溝のエプロン幅が狭く、平坦性の高いサイクルレーン側溝としても自信を持ってお勧めいたします。また、専用の集水桝及び深型集水桝もございます。 | カタログPDF 図面データ 図面データ2 |
| [B-02-55] 都市型側溝 基本・グレーチングタイプ 布設標準構造図 (参考資料) |
| ライン名/アイテム名 | 画像 | 説明 | ダウンロード |
函渠側溝・暗渠 都市型側溝 |  | ![]() | 布設標準構造図(参考資料) | カタログPDF 図面データ 図面データ2 |
| [B-02-60] 都市型側溝 集水桝 基本タイプ 布設標準構造図(参考資料) |
| ライン名/アイテム名 | 画像 | 説明 | ダウンロード |
函渠側溝・暗渠 都市型側溝 |  | ![]() | 集水桝・深型集水桝
布設標準構造図(参考資料) | カタログPDF 図面データ 図面データ2 |
| [B-02-65] 都市型側溝 基本・グレーチング 断面図(参考資料) |
| ライン名/アイテム名 | 画像 | 説明 | ダウンロード |
函渠側溝・暗渠 都市型側溝 |  | ![]() | 側溝・集水桝・深型集水桝
断面図(参考資料) | カタログPDF 図面データ 図面データ2 |
| [B-02-70] 都市型側溝 基本防草タイプ 布設標準構造図(参考資料) |
| ライン名/アイテム名 | 画像 | 説明 | ダウンロード |
函渠側溝・暗渠 都市型側溝 |  | ![]() | 布設標準構造図(参考資料) | カタログPDF 図面データ 図面データ2 |
| [B-02-75] 都市型側溝 集水桝 基本防草タイプ 布設標準構造図(参考資料) |
| ライン名/アイテム名 | 画像 | 説明 | ダウンロード |
函渠側溝・暗渠 都市型側溝 |  | ![]() | 集水桝・深型集水桝
布設標準構造図(参考資料) | カタログPDF 図面データ 図面データ2 |
| [B-02-80] 都市型側溝 基本防草タイプ 断面図(参考資料) |
| ライン名/アイテム名 | 画像 | 説明 | ダウンロード |
函渠側溝・暗渠 都市型側溝 |  | ![]() | 側溝・集水桝・深型集水桝
断面図(参考資料) | カタログPDF 図面データ 図面データ2 |
| [B-02-85] 都市型側溝 バリアフリー・バリアフリーグレーチングタイプ 布設標準構造図 (参考資料) |
| ライン名/アイテム名 | 画像 | 説明 | ダウンロード |
函渠側溝・暗渠 都市型側溝 |  | ![]() | 側溝・集水桝・深型集水桝
布設標準構造図(参考資料) | カタログPDF 図面データ 図面データ2 |
| [B-02-90] 都市型側溝 バリアフリー・バリアフリーグレーチングタイプ 断面図(参考資料) |
| ライン名/アイテム名 | 画像 | 説明 | ダウンロード |
函渠側溝・暗渠 都市型側溝 |  | ![]() | 側溝・集水桝・深型集水桝
断面図(参考資料) | カタログPDF 図面データ 図面データ2 |
| [B-02-95] 都市型側溝 集水桝 アングルタイプH50布設標準構造図(参考資料) |
| ライン名/アイテム名 | 画像 | 説明 | ダウンロード |
函渠側溝・暗渠 都市型側溝 |  | ![]() | 布設標準構造図(参考資料) | カタログPDF 図面データ 図面データ2 |
| [B-02-100] 都市型側溝 集水桝 アングルタイプH50 断面図(参考資料) |
| ライン名/アイテム名 | 画像 | 説明 | ダウンロード |
函渠側溝・暗渠 都市型側溝 |  | ![]() | 断面図(参考資料) | カタログPDF 図面データ 図面データ2 |
| [B-02-105] 都市型側溝 集水桝 アングルタイプH50/70 布設標準構造図(参考資料) |
| ライン名/アイテム名 | 画像 | 説明 | ダウンロード |
函渠側溝・暗渠 都市型側溝 |  | ![]() | 布設標準構造図(参考資料) | カタログPDF 図面データ 図面データ2 |
| [B-02-110] 都市型側溝 集水桝 アングルタイプH50/70断面図(参考資料) |
| ライン名/アイテム名 | 画像 | 説明 | ダウンロード |
函渠側溝・暗渠 都市型側溝 |  | ![]() | 断面図(参考資料) | カタログPDF 図面データ 図面データ2 |
| [B-03-10] SKロードレインⅠ型 スタンダートタイプ |
| ライン名/アイテム名 | 画像 | 説明 | ダウンロード |
函渠側溝・暗渠 SK側溝ロードレインⅠ型 |  | ![]() | 全面開口型排水で抜群の排水能力をもつT-25縦断設計
の管渠タイプの側溝です。専用桝もあります。
| カタログPDF 図面データ 図面データ2 |
| [B-03-20] SKロードレインⅠ型 乗り入れタイプ |
| ライン名/アイテム名 | 画像 | 説明 | ダウンロード |
函渠側溝・暗渠 SK側溝ロードレインⅠ型 |  | ![]() | ロードレインⅠ型の車両乗り入れ部に使用するT-25縦
断設計の管渠タイプの側溝です。専用桝もあります。 | カタログPDF 図面データ 図面データ2 |
| [B-03-30] SKロードレインⅠ型 アングルタイプ |
| ライン名/アイテム名 | 画像 | 説明 | ダウンロード |
函渠側溝・暗渠 SK側溝ロードレインⅠ型 |  | ![]() | 全面開口型排水で抜群の排水能力をもつT-25縦断設計の管渠タイプの側溝です。専用桝もあります。 | カタログPDF 図面データ 図面データ2 |
| [B-03-40] SKロードレインⅠ型 横断タイプ(グレーチングタイプ・スリットタイプ) |
| ライン名/アイテム名 | 画像 | 説明 | ダウンロード |
函渠側溝・暗渠 SK側溝ロードレインⅠ型 |  | ![]() | ロードレインⅠ型の車両乗り入れ部に使用するT-25横
断設計の管渠タイプの側溝です。 | カタログPDF 図面データ 図面データ2 |
| [B-04-10] Y.T.Cボックスカルバート・BOX敷板・敷板 |
| ライン名/アイテム名 | 画像 | 説明 | ダウンロード |
函渠側溝・暗渠 T.Y.Cボックスカルバート |  | ![]() | 道路に埋設し、主に下水及び排水用管路として使用さ
れるT-25横断専用のボックスカルバートです。 | カタログPDF 図面データ 図面データ2 |
| [B-04-20] Y.T.Cボックスカルバート(T-25横断)・BOX敷板・敷板 断面図(参考資料) |
| ライン名/アイテム名 | 画像 | 説明 | ダウンロード |
函渠側溝・暗渠 T.Y.Cボックスカルバート |  | ![]() | 断面図(参考資料) | カタログPDF 図面データ 図面データ2 |
| [B-04-30] Y.T.Cボックスカルバート 布設標準構造図(参考資料) |
| ライン名/アイテム名 | 画像 | 説明 | ダウンロード |
函渠側溝・暗渠 T.Y.Cボックスカルバート |  | ![]() | 布設標準構造図(参考資料)
| カタログPDF 図面データ 図面データ2 |
| [B-05-10] U.K.BOX(T-25横断)・BOX敷板 |
| ライン名/アイテム名 | 画像 | 説明 | ダウンロード |
函渠側溝・暗渠 U.Kボックス |  | ![]() | U.K.BOXは長尺U字溝の道路横断部に使用する暗渠側溝です。 | カタログPDF 図面データ 図面データ2 |