| [G-01-10] エルフォーム(L型擁壁)Gタイプ[宅地用]・G1タイプ[道路用] |
| ライン名/アイテム名 | 画像 | 説明 | ダウンロード |
擁壁・土留め・護岸 エルフォーム(L型擁壁) |  | ![]() | 前壁が垂直のため敷地用地を最大限有効に利用できる
宅地や道路路肩の土留め用のL型擁壁です。 | カタログPDF 図面データ 図面データ2 |
| [G-01-15] エルフォーム(L型擁壁)Gタイプ[宅地用]・G1タイプ[道路用] 断面図(参考資料) |
| ライン名/アイテム名 | 画像 | 説明 | ダウンロード |
擁壁・土留め・護岸 エルフォーム(L型擁壁) |  | ![]() | 断面図(参考資料) | カタログPDF 図面データ 図面データ2 |
| [G-01-20] エルフォーム(L型擁壁)Gタイプ[宅地用]・G1タイプ[道路用] 布設標準構造図(参考資料) |
| ライン名/アイテム名 | 画像 | 説明 | ダウンロード |
擁壁・土留め・護岸 エルフォーム(L型擁壁) |  | ![]() | 布設標準構造図(参考資料) | カタログPDF 図面データ 図面データ2 |
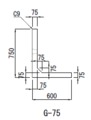
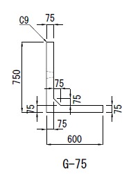
| [G-01-25] エルフォーム90°コーナー(L型擁壁) |
| ライン名/アイテム名 | 画像 | 説明 | ダウンロード |
擁壁・土留め・護岸 エルフォーム(L型擁壁) |  | ![]() | 宅地の土留め用L型擁壁です。
45°に隅切りをした擁壁を組み合わせて90°コーナー
とするL型擁壁です。
| カタログPDF 図面データ 図面データ2 |
| [G-01-30] エルフォーム用ベースブロック(L型擁壁用) |
| ライン名/アイテム名 | 画像 | 説明 | ダウンロード |
擁壁・土留め・護岸 エルフォーム(L型擁壁) |  | ![]() | 往来の現場打ち基礎コンクリートをプレキャスト化したベースブロックです。
| カタログPDF 図面データ 図面データ2 |
| [G-02-10] テールアルメ擁壁(補強土擁壁工法) |
| ライン名/アイテム名 | 画像 | 説明 | ダウンロード |
擁壁・土留め・護岸 テールアルメ(補強土擁壁) |  | ![]() | テールアルメ工法とは、鋼材を使用して土を補強し、高い垂直盛土を構築する工法です。 | カタログPDF 図面データ 図面データ2 |
| [G-03-10] NSSブロック(大型ブロック積擁壁) |
| ライン名/アイテム名 | 画像 | 説明 | ダウンロード |
擁壁・土留め・護岸 NSSブロック(大型ブロック擁壁) |  | ![]() | ブロック間を鉄筋コンクリートで一体にした大型ブロック積擁壁です。
| カタログPDF 図面データ 図面データ2 |
| [G-04-10] UKパネル(長尺U字溝用簡易土留め板)[KUS・KUR 300×300用] |
| ライン名/アイテム名 | 画像 | 説明 | ダウンロード |
擁壁・土留め・護岸 UKパネル(簡易土留め板) |  | ![]() | 長尺U字溝(茨城県規格)KUS・KUR300×300の側壁にパネルを施工して土留めとすることができます。 | カタログPDF 図面データ 図面データ2 |
| [G-04-15] UKパネル(長尺U字溝用簡易土留め板)[KUS・KUR 300×300用]断面図(参考資料) |
| ライン名/アイテム名 | 画像 | 説明 | ダウンロード |
擁壁・土留め・護岸 UKパネル(簡易土留め板) |  | ![]() | 断面図・組立断面図(参考資料) | カタログPDF 図面データ 図面データ2 |
| [G-04-20] UKパネル(長尺U字溝用簡易土留め板)[KUS・KUR 300×300用]布設標準構造図(参考資料) |
| ライン名/アイテム名 | 画像 | 説明 | ダウンロード |
擁壁・土留め・護岸 UKパネル(簡易土留め板) |  | ![]() | 布設標準構造図(参考資料) | カタログPDF 図面データ 図面データ2 |
| [G-05-10] パネックス[KUS・KUR](長尺U字溝対応簡易土留め板) |
| ライン名/アイテム名 | 画像 | 説明 | ダウンロード |
擁壁・土留め・護岸 パネックス(簡易土留め板) |  | ![]() | 長尺U字溝(茨城県規格)の側壁にパネルを施工して土留め(側溝擁壁)とすることができます。 | カタログPDF 図面データ 図面データ2 |
| [G-05-15] パネックス[KUS・KUR](長尺U字溝対応簡易土留め板)断面図(参考資料) |
| ライン名/アイテム名 | 画像 | 説明 | ダウンロード |
擁壁・土留め・護岸 パネックス(簡易土留め板) |  | ![]() | 断面図・組立断面図(参考資料) | カタログPDF 図面データ 図面データ2 |
| [G-05-20] パネックス[KUS・KUR](長尺U字溝対応簡易土留め板)布設標準構造図(参考資料) |
| ライン名/アイテム名 | 画像 | 説明 | ダウンロード |
擁壁・土留め・護岸 パネックス(簡易土留め板) |  | ![]() | 布設標準構造図(参考資料) | カタログPDF 図面データ 図面データ2 |
| [G-05-30] パネックス[KDS・KDR](深溝U字溝対応簡易土留め板) |
| ライン名/アイテム名 | 画像 | 説明 | ダウンロード |
擁壁・土留め・護岸 パネックス(簡易土留め板) |  | ![]() | 深溝U字溝(茨城県規格)の側壁にパネルを施工して土留め(側溝擁壁)とすることができます。 | カタログPDF 図面データ 図面データ2 |
| [G-05-40] パネックス[KDS・KDR](深溝U字溝対応簡易土留め板)布設標準構造図(参考資料) |
| ライン名/アイテム名 | 画像 | 説明 | ダウンロード |
擁壁・土留め・護岸 パネックス(簡易土留め板) |  | ![]() | 布設標準構造図(参考資料) | カタログPDF 図面データ 図面データ2 |
| [G-05-45] パネックス[KDS・KDR](深溝U字溝対応簡易土留め板)組立断面図(参考資料) |
| ライン名/アイテム名 | 画像 | 説明 | ダウンロード |
擁壁・土留め・護岸 パネックス(簡易土留め板) |  | ![]() | 組立断面図(参考資料) | カタログPDF 図面データ 図面データ2 |
| [G-06-10] パネックスHU(箱型U字側溝対応簡易土留め板) |
| ライン名/アイテム名 | 画像 | 説明 | ダウンロード |
擁壁・土留め・護岸 パネックスHU(箱型U字溝簡易土留め板) |  | ![]() | 箱型U字側溝の側壁にパネルを施工して土留め(側溝
用擁壁)とすることができます。
| カタログPDF 図面データ 図面データ2 |
| [G-06-15] パネックスHU(箱型U字溝対応簡易土留め板)断面図(参考資料) |
| ライン名/アイテム名 | 画像 | 説明 | ダウンロード |
擁壁・土留め・護岸 パネックスHU(箱型U字溝簡易土留め板) |  | ![]() | 組立断面図(参考資料) | カタログPDF 図面データ 図面データ2 |
| [G-06-20] パネックスHU(箱型U字溝対応簡易土留め板)布設標準構造図(参考資料) |
| ライン名/アイテム名 | 画像 | 説明 | ダウンロード |
擁壁・土留め・護岸 パネックスHU(箱型U字溝簡易土留め板) |  | ![]() | 布設標準構造図(参考資料) | カタログPDF 図面データ 図面データ2 |
| [G-06-25] パネックスHUF(箱型U字溝対応簡易土留め板)フラットパネル |
| ライン名/アイテム名 | 画像 | 説明 | ダウンロード |
擁壁・土留め・護岸 パネックスHU(箱型U字溝簡易土留め板) |  | ![]() | パネックスHUFは、箱型U字側溝対応のフラットな簡易土留め板です。
製品図・施工図(参考資料)・断面図(参考資料) | カタログPDF 図面データ 図面データ2 |
| [G-07-10] 簡易土留め(柵板・H鋼) |
| ライン名/アイテム名 | 画像 | 説明 | ダウンロード |
擁壁・土留め・護岸 コンクリート柵板(簡易土留め板) |  | ![]() | 柵板とH鋼を使用して土留め壁高さH=300~900mmくらいの簡易の土留めに使用します。 | カタログPDF 図面データ 図面データ2 |
| [G-07-20] 簡易土留め(柵板・H鋼)根入れ早見表 |
| ライン名/アイテム名 | 画像 | 説明 | ダウンロード |
擁壁・土留め・護岸 コンクリート柵板(簡易土留め板) |  | ![]() | H鋼と柵板を使用して土留め壁高さH=300~900mm程度の簡易的な土留めまたは仮設の土留めとする場合など、L型擁壁等と比較しても施工が簡便で経済的に土留めを構築できます。
この、H鋼・柵板簡易土留め根入れ早見表は、下記に示す代表的(一般的)な条件に絞ってH鋼の根入れ深さを参考的に示すもので、詳細については個別に計算をする必要があります。
受働板は根入れ部から下に数えて、1段目、2段目とします。
受働板を使用することにより根入れ深さを浅くすることができます。
【設計条件】
条件項目 レベル・盛り土
土の単位重量(主働・受働側)(kN/m3) 19
土の内部摩擦角(主働・受働側)(°) 30
上載荷重(等分布)q (kN/m2) 5
荷重作用位置X3(m) 0
土留め高さH(m) 0.3~0.9
盛り土
盛り土高H0(m) 0.5
盛り土勾配(m) 1
犬走りXe(m) 0
注:H鋼は100×100、125×125の2種類とします。 | カタログPDF 図面データ 図面データ2 |
| [G-08-10] 舗装止めブロック |
| ライン名/アイテム名 | 画像 | 説明 | ダウンロード |
擁壁・土留め・護岸 舗装止めブロック |  | ![]() | 民地と道路(官民境界)の高低差がある場合などの舗装止め専用のブロックです。
| カタログPDF 図面データ 図面データ2 |
| [G-09-10] 鍬止めブロック |
| ライン名/アイテム名 | 画像 | 説明 | ダウンロード |
擁壁・土留め・護岸 鍬止めブロック |  | ![]() | 路肩等の土留めとしての現場打ちコンクリート構造
物(鍬止めブロック)を二次製品化したブロックです。
| カタログPDF 図面データ 図面データ2 |
| [G-10-10] 張ブロック[A] |
| ライン名/アイテム名 | 画像 | 説明 | ダウンロード |
擁壁・土留め・護岸 張ブロック |  | ![]() | 法面保護工のブロック張工に用いる土木用のコンクリートブロックです。 | カタログPDF 図面データ 図面データ2 |
| [G-11-10] 護岸用基礎ブロック・帯コンクリート |
| ライン名/アイテム名 | 画像 | 説明 | ダウンロード |
擁壁・土留め・護岸 護岸用基礎ブロック |  | ![]() | ・護岸用基礎ブロック[TY2型](2割勾配用)
護岸用張りブロックの2割勾配用の基礎ブロック
です。
・護岸用帯コンクリート[TL型]
張りブロック護岸工事等の縦、横帯コンクリートブ
ロックです。
| カタログPDF 図面データ 図面データ2 |
| [G-13-10] 階段ブロック |
| ライン名/アイテム名 | 画像 | 説明 | ダウンロード |
擁壁・土留め・護岸 階段ブロック |  | ![]() | 河川の堤防・一般切り土部分・盛り土部分等の階段に使用する階段ブロックです。 | カタログPDF 図面データ 図面データ2 |