| [A-01-10] 長尺Uスリット浸透側溝・長尺U字溝浸透用・可変用 |
| ライン名/アイテム名 | 画像 | 説明 | ダウンロード |
雨水浸透・貯留製品 長尺Uスリット浸透側溝 |  | ![]() | 長尺U字溝の側壁及び底版部に排水孔(開口)を設けた浸透側溝です。底穴開のみもあります。 | カタログPDF 図面データ 図面データ2 |
| [A-01-20] 長尺Uスリット浸透側溝[KUSDS・KURDS] 布設標準構造図(参考資料) |
| ライン名/アイテム名 | 画像 | 説明 | ダウンロード |
雨水浸透・貯留製品 長尺Uスリット浸透側溝 |  | ![]() | 布設標準構造図(参考資料)
| カタログPDF 図面データ 図面データ2 |
| [A-01-25] 長尺U字溝 浸透用・可変用[KUSD・KURD] 布設標準構造図(参考資料) |
| ライン名/アイテム名 | 画像 | 説明 | ダウンロード |
雨水浸透・貯留製品 長尺Uスリット浸透側溝 |  | ![]() | 布設標準構造図(参考資料) | カタログPDF 図面データ 図面データ2 |
| [A-01-30] 長尺Uスリット浸透側溝 [KUSDS・KURDS] 断面図(参考資料) |
| ライン名/アイテム名 | 画像 | 説明 | ダウンロード |
雨水浸透・貯留製品 長尺Uスリット浸透側溝 |  | ![]() | 断面図(参考資料) | カタログPDF 図面データ 図面データ2 |
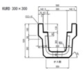
| [A-01-35] 長尺U字溝 浸透用・可変用[KUSD・KURD]断面図(参考資料) |
| ライン名/アイテム名 | 画像 | 説明 | ダウンロード |
雨水浸透・貯留製品 長尺Uスリット浸透側溝 |  | ![]() | 断面図(参考資料) | カタログPDF 図面データ 図面データ2 |
| [A-02-40] 深溝Uスリット浸透側溝 ・深溝U字溝 浸透用・可変用 |
| ライン名/アイテム名 | 画像 | 説明 | ダウンロード |
雨水浸透・貯留製品 深溝Uスリット浸透側溝 |  | ![]() | 深溝U字溝の側壁及び底版部に排水孔(開口)を設けた浸透側溝です。底穴開のみもあります。
| カタログPDF 図面データ 図面データ2 |
| [A-02-50] 深溝Uスリット浸透側溝 ・深溝U字溝浸透用・可変用 布設標準構造図(参考資料) |
| ライン名/アイテム名 | 画像 | 説明 | ダウンロード |
雨水浸透・貯留製品 深溝Uスリット浸透側溝 |  | ![]() | 布設標準構造図(参考資料) | カタログPDF 図面データ 図面データ2 |
| [A-02-60] 深溝Uスリット浸透側溝・深溝U字溝浸透用・可変用 断面図(参考資料) |
| ライン名/アイテム名 | 画像 | 説明 | ダウンロード |
雨水浸透・貯留製品 深溝Uスリット浸透側溝 |  | ![]() | 断面図(参考資料)
| カタログPDF 図面データ 図面データ2 |
| [A-03-10] 箱型Uスリット浸透側溝・箱型U浸透側溝(底穴開き) |
| ライン名/アイテム名 | 画像 | 説明 | ダウンロード |
雨水浸透・貯留製品 箱型Uスリット浸透側溝 |  | ![]() | 側壁のスリット開口部と底版開口部より雨水を効率よく浸透できる浸透側溝です。底穴開のみもあります。
| カタログPDF 図面データ 図面データ2 |
| [A-03-20] 箱型Uスリット浸透側溝・箱型U浸透側溝(底穴開き)断面図(参考資料) |
| ライン名/アイテム名 | 画像 | 説明 | ダウンロード |
雨水浸透・貯留製品 箱型Uスリット浸透側溝 |  | ![]() | 断面図(参考資料) | カタログPDF 図面データ 図面データ2 |
| [A-03-30] 箱型Uスリット浸透側溝 布設標準構造図(参考資料) |
| ライン名/アイテム名 | 画像 | 説明 | ダウンロード |
雨水浸透・貯留製品 箱型Uスリット浸透側溝 |  | ![]() | 布設標構造図(参考資料) | カタログPDF 図面データ 図面データ2 |
| [A-03-40] 箱型U浸透側溝(底穴開き) 布設標準構造図(参考資料) |
| ライン名/アイテム名 | 画像 | 説明 | ダウンロード |
雨水浸透・貯留製品 箱型Uスリット浸透側溝 |  | ![]() | 布設標準構造図(参考資料) | カタログPDF 図面データ 図面データ2 |
| [A-04-10] TYS浸透桝 [宅内・中型500・大型1000] |
| ライン名/アイテム名 | 画像 | 説明 | ダウンロード |
雨水浸透・貯留製品 TYS雨水浸透桝(宅内・中型・大型) |  | ![]() | 側壁にスリット型の排水溝を設けた宅内浸透桝及び道路用の中型、大型浸透桝です。 | カタログPDF 図面データ 図面データ2 |
| [A-04-20] TYS宅内浸透桝 布設標準構造図(参考資料) |
| ライン名/アイテム名 | 画像 | 説明 | ダウンロード |
雨水浸透・貯留製品 TYS雨水浸透桝(宅内・中型・大型) |  | ![]() | 布設標準構造図(参考資料) | カタログPDF 図面データ 図面データ2 |
| [A-04-30] TYS中型・大型浸透桝 布設標準構造図(参考資料) |
| ライン名/アイテム名 | 画像 | 説明 | ダウンロード |
雨水浸透・貯留製品 TYS雨水浸透桝(宅内・中型・大型) |  | ![]() | 布設標準構造図(参考資料) | カタログPDF 図面データ 図面データ2 |
| [A-05-10] シンシンブロック(SSBB) 雨水貯留浸透槽 |
| ライン名/アイテム名 | 画像 | 説明 | ダウンロード |
雨水浸透・貯留製品 SSBBシンシンブロック(雨水貯留浸透槽) |  | ![]() | プラスチック製地下貯留槽です。 | カタログPDF 図面データ 図面データ2 |
| [A-06-10] U形浸透側溝(底穴開き) |
| ライン名/アイテム名 | 画像 | 説明 | ダウンロード |
雨水浸透・貯留製品 オリジナル雨水浸透・貯留製品 |  | ![]() | U形側溝の底版部に開口を設けた側溝です。
| カタログPDF 図面データ 図面データ2 |
| [A-06-20] U形浸透側溝(底穴開き) 布設標準構造図(参考資料) |
| ライン名/アイテム名 | 画像 | 説明 | ダウンロード |
雨水浸透・貯留製品 オリジナル雨水浸透・貯留製品 |  | ![]() | 布設標準構造図(参考資料) | カタログPDF 図面データ 図面データ2 |