|
U形・L形側溝
| [D-01-10] U形側溝・上ぶた式U形側溝ふた |
| ライン名/アイテム名 | 画像 | 説明 | ダウンロード |
U形・L形側溝 U形側溝・ふた(JIS) |  | ![]() | 車道に平行して設置するU形側溝・側溝ふたです。
[JIS A 5372 推奨仕様E-1・E-2]
| カタログPDF 図面データ 図面データ2 |
| [D-01-15] U形側溝・上ぶた式U形側溝ふた 布設標準構造図(参考資料) |
| ライン名/アイテム名 | 画像 | 説明 | ダウンロード |
U形・L形側溝 U形側溝・ふた(JIS) |  | ![]() | 布設標準構造図(参考資料) | カタログPDF 図面データ 図面データ2 |
| [D-01-20] U形側溝・上ぶた式U形側溝ふた 断面図(参考資料) |
| ライン名/アイテム名 | 画像 | 説明 | ダウンロード |
U形・L形側溝 U形側溝・ふた(JIS) |  | ![]() | 断面図(参考資料) | カタログPDF 図面データ 図面データ2 |
| [D-02-10] ソケット付U形側溝 |
| ライン名/アイテム名 | 画像 | 説明 | ダウンロード |
U形・L形側溝 ソケット付き鉄筋コンクリートU字溝 |  | ![]() | 道路敷地内の雨水を道路法面の縦方向に排水すること
を目的とした側溝です。 | カタログPDF 図面データ 図面データ2 |
| [D-02-20] ソケット付U形側溝 断面図(参考資料) |
| ライン名/アイテム名 | 画像 | 説明 | ダウンロード |
U形・L形側溝 ソケット付き鉄筋コンクリートU字溝 |  | ![]() | 断面図(参考資料)
・標準 240・300
・すべり止め付き 240・300 | カタログPDF 図面データ 図面データ2 |
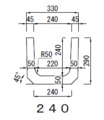
| [D-03-10] U形側溝用R蓋 |
| ライン名/アイテム名 | 画像 | 説明 | ダウンロード |
U形・L形側溝 U形側溝用R蓋 |  | ![]() | 車道に平行して設置するU形側溝用蓋です。
水戸市型・ひたちなか市型・茨城町型があります。 | カタログPDF 図面データ 図面データ2 |
| [D-04-10] L形側溝[JIS A 5372推奨仕様E-4]・バリアフリータイプ |
| ライン名/アイテム名 | 画像 | 説明 | ダウンロード |
U形・L形側溝 L形側溝(JIS規格品) |  | ![]() | 道路の路肩に設ける路面排水溝Ⅰ類のL形側溝です。
バリアフリータイプもあります。 | カタログPDF 図面データ 図面データ2 |
| [D-04-15] L形側溝[JIS A 5372推奨仕様E-4]・バリアフリータイプ 布設標準構造図(参考資料) |
| ライン名/アイテム名 | 画像 | 説明 | ダウンロード |
U形・L形側溝 L形側溝(JIS規格品) |  | ![]() | 布設標準構造図(参考資料) | カタログPDF 図面データ 図面データ2 |
| [D-04-20] L形側溝[JIS A 5372推奨仕様E-4]・バリアフリータイプ 断面図(参考資料) |
| ライン名/アイテム名 | 画像 | 説明 | ダウンロード |
U形・L形側溝 L形側溝(JIS規格品) |  | ![]() | 断面図(参考資料) | カタログPDF 図面データ 図面データ2 |
| [D-05-10] L形エプロンブロックA |
| ライン名/アイテム名 | 画像 | 説明 | ダウンロード |
U形・L形側溝 L形エプロンブロック |  | ![]() | L型街渠のエプロン部と歩車道境界ブロックAを一体化した長尺のL形側溝です。
境界プレートをセットできる製品もあります。
| カタログPDF 図面データ 図面データ2 |
| [D-05-15] L形エプロンブロックA 布設標準構造図(参考資料) |
| ライン名/アイテム名 | 画像 | 説明 | ダウンロード |
U形・L形側溝 L形エプロンブロック |  | ![]() | 布設標準構造図(参考資料) | カタログPDF 図面データ 図面データ2 |
| [D-05-20] L形エプロンブロックBセミフラットタイプ |
| ライン名/アイテム名 | 画像 | 説明 | ダウンロード |
U形・L形側溝 L形エプロンブロック |  | ![]() | L型街渠のエプロン部と歩車道境界ブロックBを一体化した長尺のL形側溝です。 | カタログPDF 図面データ 図面データ2 |
| [D-05-25] L形エプロンブロックBセミフラットタイプ 布設標準構造図(参考資料) |
| ライン名/アイテム名 | 画像 | 説明 | ダウンロード |
U形・L形側溝 L形エプロンブロック |  | ![]() | 布設標準構造図(参考資料) | カタログPDF 図面データ 図面データ2 |
| [D-06-10] 街渠エプロンブロック |
| ライン名/アイテム名 | 画像 | 説明 | ダウンロード |
U形・L形側溝 街渠エプロンブロック |  | ![]() | L形街渠のエプロン部を製品化したものです。
様々な歩車道境界ブロックに対応できます。 | カタログPDF 図面データ 図面データ2 |
|
|
|
茨城県のコンクリート二次製品,道路用製品:東洋コンクリート工業株式会社
〒 311-3125茨城県東茨城郡茨城町下石崎1061番地2
TEL 029-240-8866 FAX 029-240-8861
|